Chat with us
, powered by
LiveChat
註冊/登入
聯絡我們
公司簡介
最新消息
產品列表
產品介紹
產品篩選器
產品應用
下載專區
電子期刊 / 目錄
Language
繁體中文
简体中文
English
日本語
首頁
全部商品
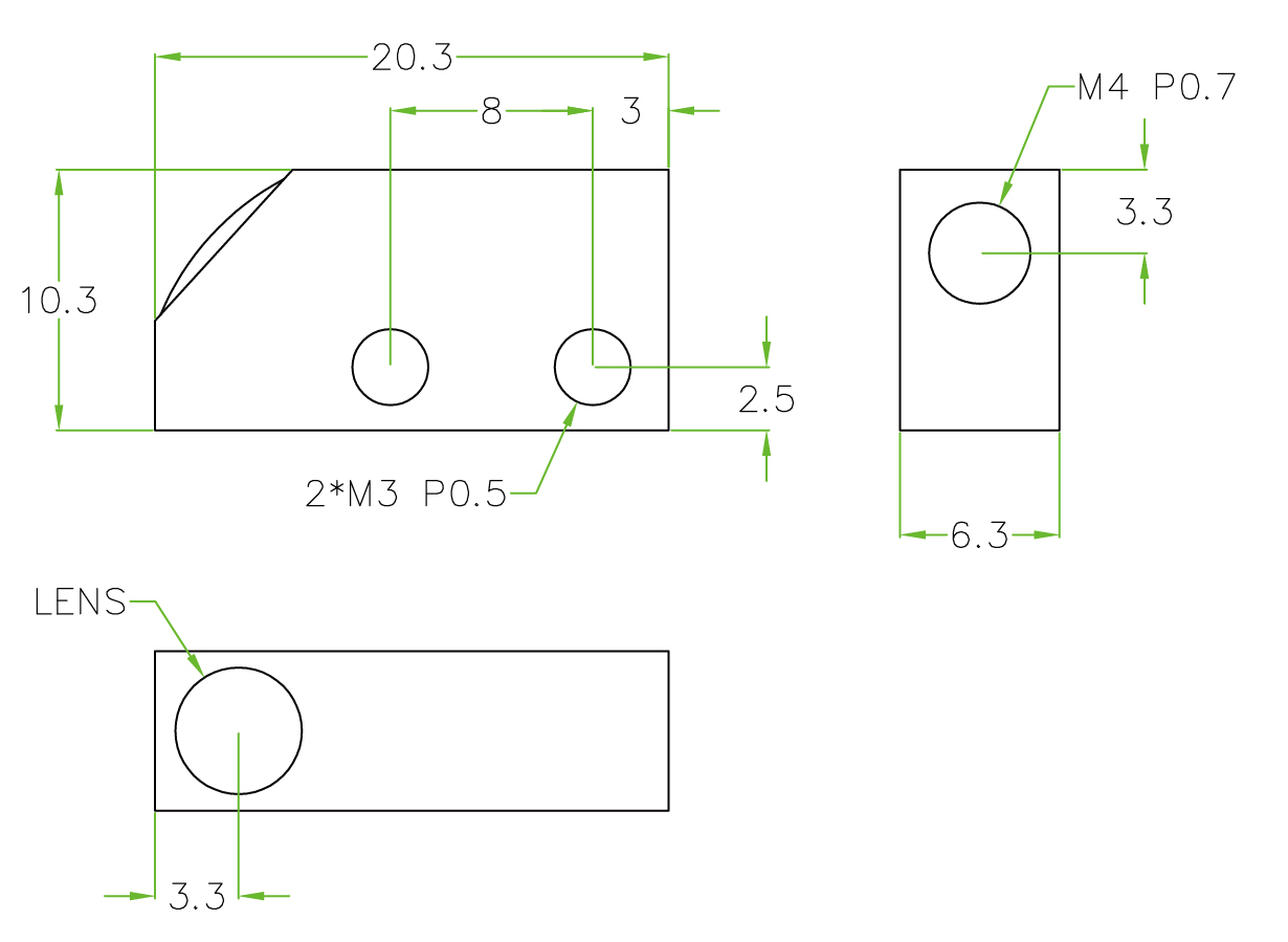
FLS-M04 聚焦鏡
FLS-M04 聚焦鏡
• 加裝FLS-M04,在距離13mm到30mm處光纖可聚焦成一直徑0.5mm到3.0mm的光點。
立即聯繫
詳細介紹
相關產品
詳細介紹
相關產品
PRC-320 耐彎抗拉光纖
PRC-320-9 耐彎抗拉光纖
PRC-320-IQ (MQ) 耐彎抗拉光纖
FL-M03-1 聚焦鏡